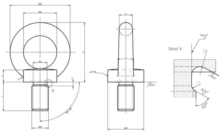
DIN 580 - Kaldırma Göz Cıvatası

<<

<<

<<

DIN 580

📜Standartlar

⚙️Malzeme Sınıfı

🌈Kaplama Çeşitleri

Çinko Kaplama / Elektrogalvaniz

Çinko Nikel Kaplama

Geomet /Dacromet

l - Cıvatanın uzunluğu
d2 - Baş çapı
h - Yükseklik
D4 - Gözün çapı
D3 - Gözün dış çapı
E - Vidanın ayak yüksekliği
k - Gözün genişliği
D1 - Dişin nominal çapı
F - Alt kesim uzunluğu